Linkages : "the Connection" Between You And Your Chassis

bradmeister

Ol'Timer
Subscribed
Mar 7, 2017
78
35
18
63
Bangkok
www.bdsperformance.co.th
Dear Fellow GT Riders.

Many of us have Linkless, some have Linkages and/or Paralevers in our Chassis rear suspension. For many times often, we see many people forgeting about these Trigonometry of wonders. Many riders just have no idea (or have forgotten) why they cant get connected to the road any longer....... Suspension, suspension and again suspension = Dampers, Springs and Linkages. NOTE: For those of you on Beemers and Ducatis, you literally have swingarms, shocks and linkages in the front suspension, on many models.

If you look in the diagrams below, you can wonder about all the different designs of Linkages from the "Back Link" (SHOWN) to the "Uni Link", and the "Deflection link" to the "Eccentric Link"......mind boggleing, isent it? All of these Linkages (in one form or another) connect to your swingarms, your shocks and your frames. The Linkage is what tunes your machine and transmits, deflects and causes the proper operation of your shocks. Failed or damaged linkage will result in poor shock performance.

Most of us somehow forget that these "linkages" are comprised of anywhere from 18 to 26 moving little parts that require maintenance. Some of us actually look in a service manual, some of us dont. Some Manuals have time defintie schedules of lubrication and replacement others describe this to us in mileage or kilometers. Regardless,

We have the luxury, (here in beautiful Thialand) of running our bikes everyday, with no winter snow season to stop us! We can even cross several boarders, and traverse many roads the average car or pedestrian dare not go..... What will enevitably take the burden of our adventures and sickness of the roads and parths we travel? You guessed it right, if you said our linkages!

Everytime you cross a light stream, creek, or even a recently rained upon, potholed or rutted out dirt road.... you just invited contamination of your lubrication and the premature wear of the tiny roller bearings, bushings and seals in the Linkage Pivot Points and the transmission of forces.....

We love travel adventures too, but that means: all of us need to dis-assemble, inspect, relace and lubricate our linkages more often. Sorry in advance to the Riders who think spraying a lubricant (or may the gods forbid) WD-40 up there.....That will do absolutely nothing as the spray will not make it past the seals and into the bearings. Please remember that it (WD40) is a solvent by composition, not a lubricant and many motorcycle mechanics here do not know the difference.

Back on Linkages.....Lets see if we can insert a common Picture here...... When you look below, this is the numerous parts required to repair a typical deflector link, used in everything from BMW's, Yamahas, KTM's and Suzuki's. Most of you may be saying: GeeWiz right about now.

Linkage Rebuild.jpg


These can be very troublesome to lubricate often but required. When we forget about them, the bearings freeze, and once they actually sieze (and many of you will sieze them without knowing it): they are a bitch to press out, and refit without destroying the Link or the Swingarm. We can show anyone various destroyed linkages and disentigrated bearings, we have extracted or rejected over the years upon request. this is more a "Heads Up" Thread than anything else.

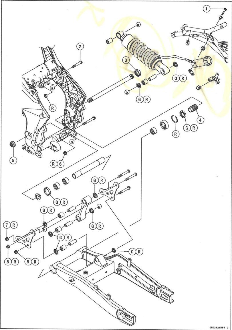
Lastly, we come upon a Diagram which all of you should be able to find in your service manuals: The Exploded view of your rear linkage and Shock. Some of you may be lucky enough that the manual will also list the swingarm bearings and buschings as well.....

KawiRef0001.jpg


This is for a KAWASAKI Z1000....... Relatively new model, but it was used undoubtedly as an underwater ambhibious assault vehicle or what the locals call: ENDURO. Every Part (except the shock, swingarm and swingarm bolt) needed to be replaced. The owner was quite Befuddled and mystified when he gazed his old parts.

Please take notice how we see an "R" and a "G" near the components of the linkage. R means "REPLACE" which most of you are not doing as well...... Metal Tab nuts are a one time use and must properly be torqued. G means "GREASE" and this is also not being performed. Kawasaki, surprisingly makes a heavy duty grease that is waterproof.,

jgsqotpb_ej3.jpg


If you are running your motorcycles underwater often, it behooves the Rider to Overhaul these linkages with Marine Grade Heavy Duty Bearing Grease.

Please forgive any typo's or mis spellings as I'm up to my eyeballs in paperwork!

My best to all and safe riding over this weekend and all the weekends we have left in our lifetimes.......... Treat yourself to a better ride, and more enjoyable experiences....... Get the Springs, cartridges and dampers you have always wanted, and please, please, please Inspect and lubricate your LINKAGES often!

Cheers
 
Dear Fellow GT Riders.

Many of us have Linkless, some have Linkages and/or Paralevers in our Chassis rear suspension. For many times often, we see many people forgeting about these Trigonometry of wonders. Many riders just have no idea (or have forgotten) why they cant get connected to the road any longer....... Suspension, suspension and again suspension = Dampers, Springs and Linkages. NOTE: For those of you on Beemers and Ducatis, you literally have swingarms, shocks and linkages in the front suspension, on many models.

If you look in the diagrams below, you can wonder about all the different designs of Linkages from the "Back Link" (SHOWN) to the "Uni Link", and the "Deflection link" to the "Eccentric Link"......mind boggleing, isent it? All of these Linkages (in one form or another) connect to your swingarms, your shocks and your frames. The Linkage is what tunes your machine and transmits, deflects and causes the proper operation of your shocks. Failed or damaged linkage will result in poor shock performance.

Most of us somehow forget that these "linkages" are comprised of anywhere from 18 to 26 moving little parts that require maintenance. Some of us actually look in a service manual, some of us dont. Some Manuals have time defintie schedules of lubrication and replacement others describe this to us in mileage or kilometers. Regardless,

We have the luxury, (here in beautiful Thialand) of running our bikes everyday, with no winter snow season to stop us! We can even cross several boarders, and traverse many roads the average car or pedestrian dare not go..... What will enevitably take the burden of our adventures and sickness of the roads and parths we travel? You guessed it right, if you said our linkages!

Everytime you cross a light stream, creek, or even a recently rained upon, potholed or rutted out dirt road.... you just invited contamination of your lubrication and the premature wear of the tiny roller bearings, bushings and seals in the Linkage Pivot Points and the transmission of forces.....

We love travel adventures too, but that means: all of us need to dis-assemble, inspect, relace and lubricate our linkages more often. Sorry in advance to the Riders who think spraying a lubricant (or may the gods forbid) WD-40 up there.....That will do absolutely nothing as the spray will not make it past the seals and into the bearings. Please remember that it (WD40) is a solvent by composition, not a lubricant and many motorcycle mechanics here do not know the difference.

Back on Linkages.....Lets see if we can insert a common Picture here...... When you look below, this is the numerous parts required to repair a typical deflector link, used in everything from BMW's, Yamahas, KTM's and Suzuki's. Most of you may be saying: GeeWiz right about now.

View attachment 117013

These can be very troublesome to lubricate often but required. When we forget about them, the bearings freeze, and once they actually sieze (and many of you will sieze them without knowing it): they are a bitch to press out, and refit without destroying the Link or the Swingarm. We can show anyone various destroyed linkages and disentigrated bearings, we have extracted or rejected over the years upon request. this is more a "Heads Up" Thread than anything else.

Lastly, we come upon a Diagram which all of you should be able to find in your service manuals: The Exploded view of your rear linkage and Shock. Some of you may be lucky enough that the manual will also list the swingarm bearings and buschings as well.....

View attachment 117015

This is for a KAWASAKI Z1000....... Relatively new model, but it was used undoubtedly as an underwater ambhibious assault vehicle or what the locals call: ENDURO. Every Part (except the shock, swingarm and swingarm bolt) needed to be replaced. The owner was quite Befuddled and mystified when he gazed his old parts.

Please take notice how we see an "R" and a "G" near the components of the linkage. R means "REPLACE" which most of you are not doing as well...... Metal Tab nuts are a one time use and must properly be torqued. G means "GREASE" and this is also not being performed. Kawasaki, surprisingly makes a heavy duty grease that is waterproof.,

View attachment 117016

If you are running your motorcycles underwater often, it behooves the Rider to Overhaul these linkages with Marine Grade Heavy Duty Bearing Grease.

Please forgive any typo's or mis spellings as I'm up to my eyeballs in paperwork!

My best to all and safe riding over this weekend and all the weekends we have left in our lifetimes.......... Treat yourself to a better ride, and more enjoyable experiences....... Get the Springs, cartridges and dampers you have always wanted, and please, please, please Inspect and lubricate your LINKAGES often!

Cheers

Excellent advice. I know too know. Look after your linkage.
 
  • Like
Reactions: Ian Bungy
One of the Biggest problems here is finding a Competent Workshop and Mechanic to do any Work / Maintenance for You if You can't do it Yourself. Unfortunately Skilled People are few and far between and even more scarce is someone who has Pride in their work or gives a Shit even!
 
  • Like
Reactions: Grubman and Oddvar
Bump for the guy I was having a suspension discussion with.

A shameful shock recently sent to Ohlins for a rebuild after 25,000 kms.
View attachment 144164
25k kilos? The way you beat that bike up, it's a miracle you did not kill it sooner..... 55555t

The beauty of The Ohlins is it is rebuildable and its done right here in Thailand!

Happy Trails
 
  • Like
Reactions: DavidFL
25k kilos? The way you beat that bike up, it's a miracle you did not kill it sooner..... 55555t

The beauty of The Ohlins is it is rebuildable and its done right here in Thailand!

Happy Trails

I'm trying to be more gentle. No more high pressure washes, more gentle cleaning, but obviously more elbow grease is needed in one place.
I aint complaining for the kms I do. But I can't complain about Ohlins service, but perhaps a Wilbers back up shock would not be such a bad idea.